
Art.Nr.
HerstellerKnott
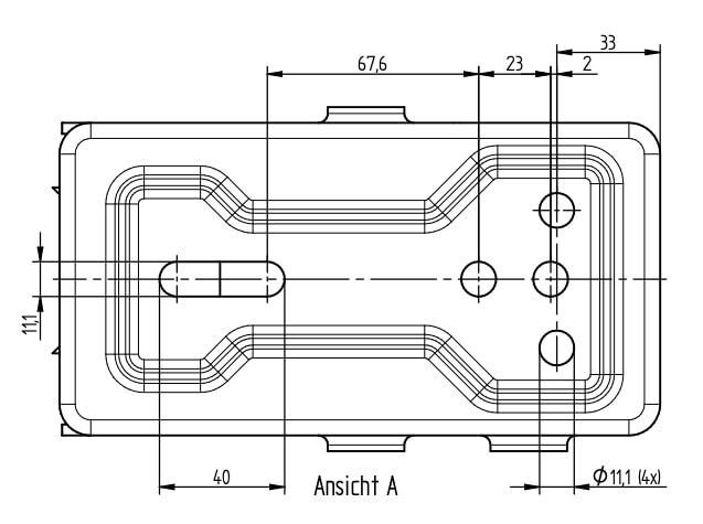
Knott Sicherheits Seilwinde 1135kg für Abroll Automatik & Lastdruckbremse
Knott Sicherheits Seilwinde 1135kg für Abroll Automatik & Lastdruckbremse Gehäusefarbe kann blau oder schwarz sein, keine Farbe wählbar
- inkl. MwSt (19%)Versandbedingungen
Lieferzeit Lieferbar
Stück
In den Warenkorb



